Некоторое время назад, при визуальным обследовании одного из лифтов, установленного на объекте Заказчика, была обнаружена деформация монтажных крюков, установленных в машинном помещении. Вероятнее всего, крюки могли погнуть при проведении ремонтных и профилактических работ. Заказчик обратился в «LIFT-IMPORT» для проведения дополнительного обследования несущей способности демонтажных крюков и поиска решения возникшей проблемы.
В ходе тщательного обследования были выявлены многочисленные повреждения строительных конструкций и деформации плит перекрытия в месте крепления демонтажного крюков к плите. Совокупность данных фактов привела к потере несущей способности конструкции более чем на 50%, что существенно снижало безопасность при эксплуатации лифтов.
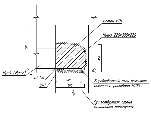
Решение проблемы было найдено и специалистами «LIFT-IMPORT» был разработан проект по установке монтажных балок вместо деформированных крюков.
Согласно проекту балки должны крепиться на стены машинного помещения, что позволит предотвратить деформацию и дополнительную нагрузку на плиты перекрытия. Использование закладных деталей, уголков и цементной подушки будет, в свою очередь, способствовать равномерному распределению нагрузки от балки и предотвратит деформацию несущих элементов.

Для обеспечения надежного функционирования лифта, в рамках регулярных осмотров и испытаний необходимо производить комплексный контроль, не только за оборудованием, но и за сопутствующими конструкциями и элементами (машинное помещение, демонтажные приспособления, шахта лифта, приямок и т.д.).
Краюхин Александр Борисович, ведущий инженер проектов «LIFT-IMPORT».
По любым вопросам связанным с проектными работами обращайтесь к нашим экспертам по телефону группы компании «Lift-Import» +7 (495) 640-74-01 или почте: sale@lift-import.ru.